ellie@jsbd.com
+86-519-88503010
Lietuvos
English
Монгол хэл
Gàidhlig
Hawaiian
Lëtzebuergesch
Español
Português
русский
français
日本語
Deutsch
Tiếng Việt
Italiano
Nederlands
ไทย
Polski
한국어
Svenska
magyar
Malay
বাংলা
Dansk
Suomi
हिन्दी
Pilipino
Türk
Gaeilge
عربى
Indonesia
norsk
اردو
čeština
Ελληνικά
Українська
Javanese
فارسی
தமிழ்
తెలుగు
नेपाली
Burmese
български
ລາວ
Latine
Қазақ
Euskal
Azərbaycan
slovenský
Lietuvos
Slovenski
Српски
Restore
Namai
Apie mus
Mūsų istorija
Mūsų gamykla
Produkto taikymas
Mūsų sertifikatas
Gamybos įranga
Gamybos rinka
Mūsų paslauga
Produktai
Aukšto slėgio laminatas
Kompaktiškas laminatas
Cheminėms medžiagoms atspari plokštė
Ugniai atspari plokštė
žinios
Įmonės naujienos
Spalvų kolekcija
parsisiųsti
Įmonės naujienos
Spalvų kolekcija
Spalvų kolekcija
Susisiekite su mumis
Namai
>
žinios
> Įmonės naujienos
žinios
Spalvų kolekcija
Įmonės naujienos
Nauji produktai
Aukšto slėgio dekoratyvinis laminatas
Kompaktiškas laminato stalviršis
Laboratorinė cheminėms medžiagoms atspari lenta
Aukšto slėgio laminatas po formavimo
Visi nauji produktai
Įmonės naujienos
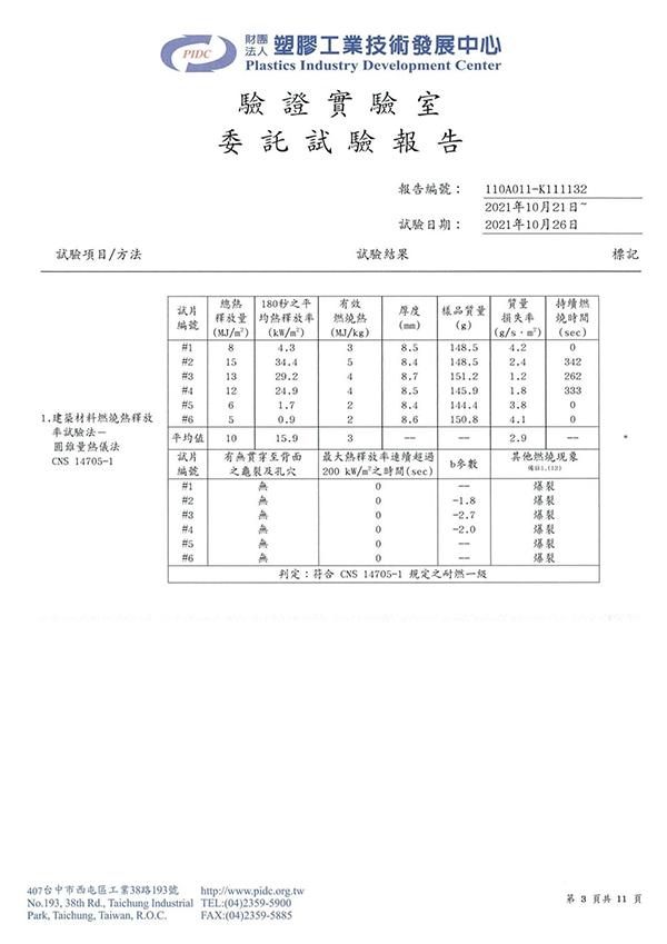
Mūsų ugniai atspari plokštė sėkmingai išlaikė CNS 14705-1 testą Taivane.
2022-01-12
Mūsų ugniai atspari plokštė sėkmingai išlaikė CNS 14705-1 testą Taivane.
Ankstesnis:
Kaip išsirinkti virtuvės lentą?
Kitas:
Marmuro fono siena
+86-519-88503010
ellie@jsbd.com